微機繼電保護測試儀阻抗繼電器校驗
之前講解了繼電保護測試儀功率繼電器的校驗,下面合眾電氣技術工程師講解另外的一種繼電器校驗,微機繼電保護測試儀阻抗繼電器校驗。
(1)阻抗繼電器靈敏角和整定阻抗的測量
在微機繼電保護測試儀功率、阻抗試驗中,設定Ia為5A(或1A),Uab為0.7倍整定阻抗對應的電壓,加減電壓相位角(可用自動試驗方式),測出動作區兩邊的邊界角φ1、φ2,則靈敏角φLM=?(φ1+φ2)。
將相角設為φLM,從高至低改變電壓至繼電器動作,得出動作電壓UDZ,根據ZSET=UDZ/I,計算整定阻抗ZSET。
(2)精工電流曲線的測量
微機繼電保護測試儀固定電壓與電流之間的角度為φLM,逐次改變電流Iab,在每一電流時加減電壓Uab(可用自動方式),測出動作值,作出精工電流曲線 Z=f(I) 。
(3)“鳥啄”現象
(1)阻抗繼電器靈敏角和整定阻抗的測量
在微機繼電保護測試儀功率、阻抗試驗中,設定Ia為5A(或1A),Uab為0.7倍整定阻抗對應的電壓,加減電壓相位角(可用自動試驗方式),測出動作區兩邊的邊界角φ1、φ2,則靈敏角φLM=?(φ1+φ2)。
將相角設為φLM,從高至低改變電壓至繼電器動作,得出動作電壓UDZ,根據ZSET=UDZ/I,計算整定阻抗ZSET。
(2)精工電流曲線的測量
微機繼電保護測試儀固定電壓與電流之間的角度為φLM,逐次改變電流Iab,在每一電流時加減電壓Uab(可用自動方式),測出動作值,作出精工電流曲線 Z=f(I) 。
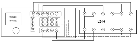
(3)“鳥啄”現象
微機繼電保護測試儀電流回路開路,設置Uab初值和步長均為額定電壓,電壓由額定突降至零,繼電器觸點不應有閉合現象。接線如下圖所示:
- 上一篇: 智能互感器測試儀裝置面板說明
- 下一篇: 微機繼電保護測試儀的功率繼電器校驗